全国服务热线
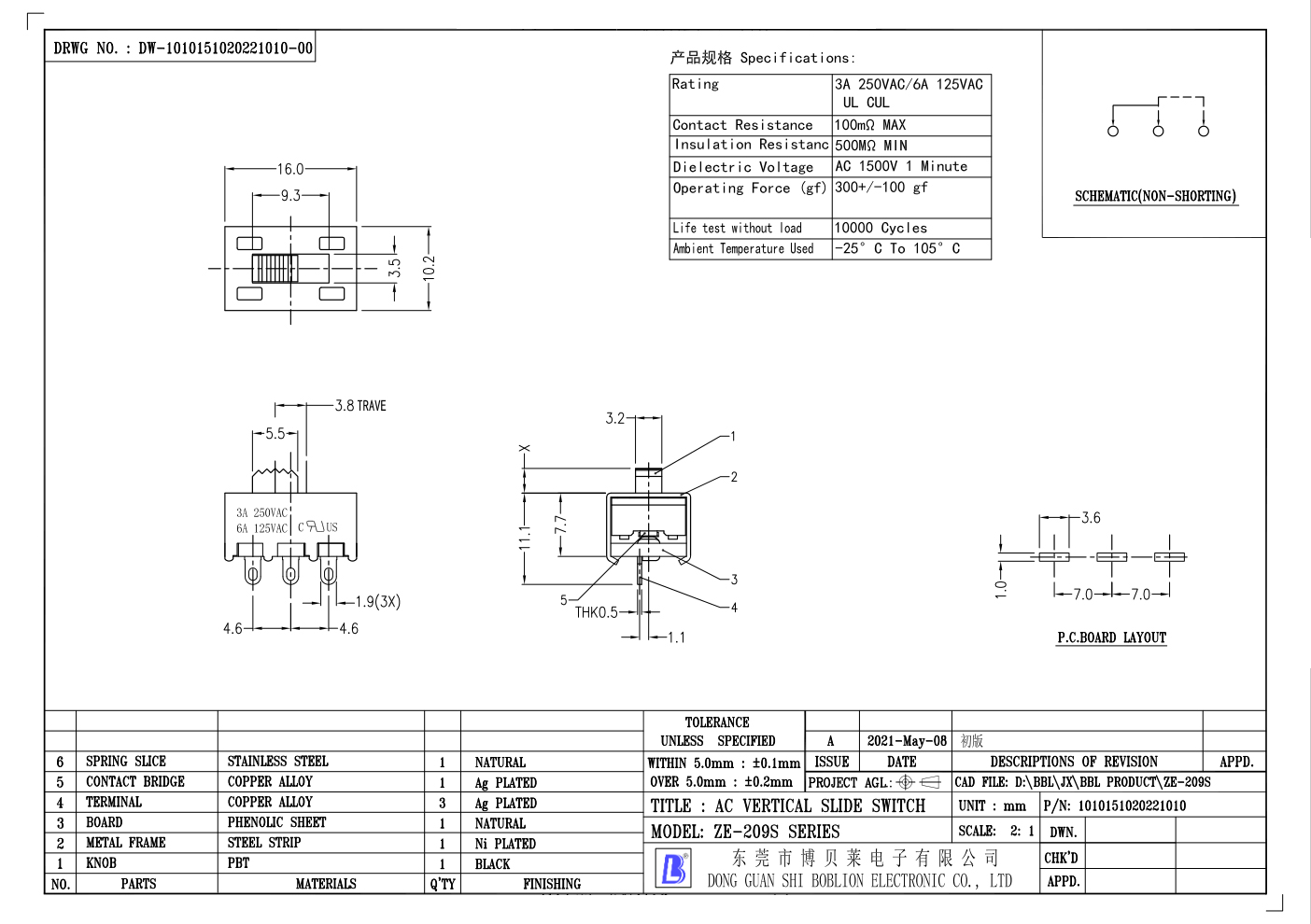
三段调色温大电流开关BL-209S-4塑胶
东莞市博贝莱电子有限公司是一家生产开关和插座的厂家,主营:拨动开关,船型开关,滑动开关,轻触开关,滑动开关厂家,拨动开关厂家,开关厂家服务热线:13926808296(郑先生)
在线咨询 全国热线
136-5247-8405
136-5247-8405
产品介绍

全国服务热线
东莞市博贝莱电子有限公司是一家生产开关和插座的厂家,主营:拨动开关,船型开关,滑动开关,轻触开关,滑动开关厂家,拨动开关厂家,开关厂家服务热线:13926808296(郑先生)
